| 产品特性
乏气分油器能有效地除掉乏气中夹带的润滑油滴,对保护环境和整个装置正常运行都具有十分重要的意义。我公司生产的SJ型乏气分油器主要技术参数如下:
操作介质:水蒸汽:设计压力:0.3Mpa;设计温度:180℃。
产品规格
型 号 |
蒸汽入口a |
蒸汽出口b |
油出口c |
公称直径DN
(mm) |
公称压力PN
(MPa) |
公称直径DN
(mm) |
公称压力PN
(MPa) |
公称直径DN
(mm) |
公称压力PN
(MPa) |
SJ-80 |
80 |
1.6 |
80 |
1.6 |
Rc3/4 |
1.6 |
SJ-100 |
100 |
100 |
SJ-150 |
150 |
150 |
SJ-200 |
200 |
200 |
Rc1 |
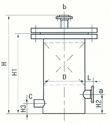
型号 |
L |
D |
H |
H1 |
H2 |
H3 |
SJ-80 |
150 |
219 |
668 |
500 |
150 |
45 |
SJ-100 |
150 |
219 |
668 |
500 |
150 |
45 |
SJ-150 |
200 |
377 |
870 |
650 |
230 |
55 |
SJ-200 |
200 |
529 |
976 |
750 |
300 |
55 |

订货说明
1、本系列设备已按蒸汽管尺寸考虑了相应的分油面积,用户直接根据蒸汽管径选用。
2、本系列设备接管法兰按HG20592—97标准,也可提供GB、SH、JB、ANSI、JIS等标准管法兰,但订货时,用户必须注明。
3、本系列设备材质为碳钢,用户如选用不锈钢等材料,订货时应注明。
|