公司简介 公司新闻 综合资讯 产品展示 产品目录 客户反馈 联系我们 电子邮局
  主要产品为静态混合器、动态混合设备、传热反应设备、过滤设备、消声设备、阻火设备等

罐下采样器
SJ乏气分油器
SQ蒸汽分水器
SCXQ取样冷却器
采样器
SG视镜
G呼吸阀,阻火呼吸阀
P阻火器
氧气阻火管
中央乙炔回火防止器
内外筒式乙炔回火防止器
氧气用点阀箱
乙炔气用点阀箱
煤气安全阀箱
氧气压力调节阀组
混合器
塔式反应器
管式反应器
环管反应器
高效换热器
萃取塔
管道过滤器
自清洗过滤器
空气过滤器
灭菌过滤器
滤件系列
精细过滤器
粉体输送设备
粉体混合设备
液体搅拌设备
消声器
排水器
纸浆漂白专用设备
除污器(滤水器)
喷射器
纤维除雾器
自动进料搅拌釜

 
喷射器
PSQ-型蒸汽喷射真空泵
PSG-气固喷射器
PSB电线电缆燃烧仪检测喷射器
PSC活性炭喷射器
PSS水泵房喷射节能器
PSY生物柴油喷射器
PST脱硫喷射器
PSD-地坑喷射器
PSJ喷射加热器
罐用喷射器
PSK开工抽引器
PSZ罐底焊缝真空检漏盒抽空器
液固喷射器
抽空器
 
 
SCXQ取样冷却器

  取样冷却器适用于温度较高的液体和气体等介质取样,具有结构紧凑、传热效率高、清洗方便、使用寿命长等优点,广泛用于石油、化工、轻工、电力等部门的、加热、换热,冷却器也可做为油泵的自封冷却器。

  


1、单一相取样冷却器SCXQ—IA
单-相取样冷却器主要性能表
管道
设计压力
3.92MPa
壳程
设计压力
常压
设计温度
350℃
设计温度
60℃
操作介质
/
操作介质
换热面积:0.084m2
单-相取样冷却器管口说明表
规格型号
(施工图图号)
操作介质
盘管材质
设备开口DN
1
2
3
4
5
SCXQ-1A-1(S5-10-1)
油 品
20
15
15
20
25
G1/2
SCXQ-1A-2(S5-10-2)
含硫油品
1Cr18Ni9Ti
15
15
20
25
G1/2
SCXQ-1A-3(S5-10-3)
油 气
20
15
8(外)
20
25
G1/2
SCXQ-1A-4(S5-10-4)
含硫油气、氢气
1Cr18Ni9Ti
15
8(外)
20
25
G1/2


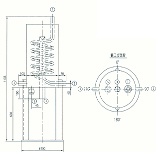
2、双联取样冷却器SCXQ-IB

双联取样冷却器主要性能表
管道
设计压力
0.58MPa
壳程
设计压力
0.58MPa
设计温度
172℃
设计温度
60℃
操作介质
汽、水
操作介质
换热面积:1.04m2
双联相取冷却器管口说明表
编号
名称
数量
公称直径DN
公称压力PN
备注
1
水蒸汽入口
2
10
/
2
水蒸汽出口
2
10
/
3
冷却水入口
1
40
2.0
4
冷却水出口
1
40
2.0
5
排水口
1
50
/
6
上排空口
2
G1/2
/
带管塞
7
下排空口
2
G1/2
/
带管塞


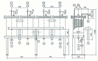
3、四联取样冷却器SCXQ-IC
四联取样冷却器主要性能表

管道
设计压力
4.62MPa
壳程
设计压力
0.58MPa
设计温度
275℃
设计温度
60℃
操作介质
汽、水
操作介质
换热面积:2.08m2


编号
名称
数量
公称直径DN
公称压力PN
备注
1
水蒸汽入口
4
10
/
2
水蒸汽入口
4
10
/
3
冷却水入口
1
40
2.0
4
冷却水出口
1
40
2.0
5
排水口
1
50
/
6
上排空口
2
G1/2
/
带管塞
7
下排空口
2
G1/2
/
带管塞

  返回
   
   
南通沃尔驰石化工程有限公司 地址:启东市汇龙镇中央河中路691号 邮编:226200 http://www.qdtxdl.com E-mail:13862978163@126.com
电话:0513-83325673 传真:0513-83119878 手机: 13862978163
氧气阻火管 | 氧气阻火器 | 阻火器