公司简介 公司新闻 综合资讯 产品展示 产品目录 客户反馈 联系我们 电子邮局
  主要产品为静态混合器、动态混合设备、传热反应设备、过滤设备、消声设备、阻火设备等

罐下采样器
SJ乏气分油器
SQ蒸汽分水器
SCXQ取样冷却器
采样器
SG视镜
G呼吸阀,阻火呼吸阀
P阻火器
氧气阻火管
中央乙炔回火防止器
内外筒式乙炔回火防止器
氧气用点阀箱
乙炔气用点阀箱
煤气安全阀箱
氧气压力调节阀组
混合器
塔式反应器
管式反应器
环管反应器
高效换热器
萃取塔
管道过滤器
自清洗过滤器
空气过滤器
灭菌过滤器
滤件系列
精细过滤器
粉体输送设备
粉体混合设备
液体搅拌设备
消声器
排水器
纸浆漂白专用设备
除污器(滤水器)
喷射器
纤维除雾器
自动进料搅拌釜

 
喷射器
PSQ-型蒸汽喷射真空泵
PSG-气固喷射器
PSB电线电缆燃烧仪检测喷射器
PSC活性炭喷射器
PSS水泵房喷射节能器
PSY生物柴油喷射器
PST脱硫喷射器
PSD-地坑喷射器
PSJ喷射加热器
罐用喷射器
PSK开工抽引器
PSZ罐底焊缝真空检漏盒抽空器
液固喷射器
抽空器
 
BMV、BMG系列煤气安全阀箱
(一)、BMV/B1-3型煤气安全阀箱
1、用途
本产品适用于金属气焊、气割、火焰表面清理和热加工的硫、焦油、萘等不纯物含量较低的煤气管路用户点。
2、结构特点
本产品外部保护箱采用灰色烤漆防锈,阀箱接点(含岗位回火防止装置)可供1-3人分别使用也可供同时使用。所有仪表可通过阀箱面板窥视孔直接观察,内部所有管路均采用优质碳钢制作。阀箱门接有箱体专用锁,便于集中管理,可避免因误操作造成的能源浪费和泄漏引起的不安全因素。
3、 产品技术参数
BMV/B1-3型煤气安全阀箱技术参数
型号
 项目
BMV/B-1型
BMV/B-2型
BMV/B-3型
正常使用氧气
压力MPa
0.02~1.6
0.02~1.6
0.02~1.6
流量Nm3/H
5
10
15
外形尺寸mm
800×380×280
1800×680×280
800×980×280
接头规格
见附图
见附图
见附图
 注:BMV/B1-3型煤气安全阀箱安装示意图同BC2H2/B1-3型乙炔气用点阀箱安装示意图。
注意事项
本产品在安装过程中请注意进出气口不可接反,发现堵塞应清洗,使用一年后应进行全面检修且需更换密封件,装配后应进行试压、回火试验合格,以保证阻火性能。
(二)、BMG/B1-4型煤气用点阀箱
1、用途
本产品适用于气焊、气割、火焰表面清理和热加工的焦炉煤气及混合煤气管道用点。
2、结构特点
本产品外部保护箱采用灰色烤漆防锈,阀箱接点可供1-4人焊炬或割炬分别使用,也可供同时使用。所用仪表可通过阀箱面板窥视孔直接观察,阀箱内部分配器均选用优质碳钢制作。阀箱门装有箱体专用锁,便于集中管理,可避免因误操作造成的能源浪费和泄漏引起的不安全因素。
3、产品技术参数
BMG/B1-3型煤气安全阀箱技术参数
型号
 项目
BMG/B-1型
BMG/B-2型
BMG/B-3型
BMG/B-4型
正常使用氧气
压力MPa
0.01~0.1
0.01~0.1
0.01~0.1
0.01~0.1
流量Nm3/H
5~10
10~20
15~30
20~40
外形尺寸mm
1400×660×440
1400×660×440
1400×660×440
1400×660×440
接头规格
DN15×1
DN15×2
DN15×3
DN15×4
接管法兰规格
JB/T81-94
PN1.0 DN50
JB/T81-94
PN1.0 DN50
JB/T81-94
PN1.0 DN50
JB/T81-94
PN1.0 DN50
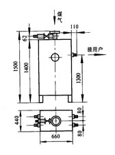
4、BMG/B1-4型煤气接点阀箱安装示意图
5、使用说明
(1)操作时,接管法兰DN50与系统中的阀门相并开阀,用软管将接头DN15与焊炬或割炬相连,关上扫阀及箱内的排污阀即可向焊炬或割炬供煤气。
(2)吹刷时,关上进气阀及接头阀门,用软管吹扫阀门与吹刷介质或氮气相接,打开排污阀即可阀箱进行吹扫。
 
南通沃尔驰石化工程有限公司 地址:启东市汇龙镇中央河中路691号 邮编:226200 http://www.qdtxdl.com E-mail:13862978163@126.com
电话:0513-83325673 传真:0513-83119878 手机: 13862978163
氧气阻火管 | 氧气阻火器 | 阻火器